株式会社ジャスト | 高所作業車レンタル
HOME
サービス紹介
高所作業車WEBカタログ
高所作業車一覧(トラック式)
高所作業車一覧(自走式)
高所作業車活用事例
弊社ご利用のメリット
よくある質問
操作資格について
会社概要
レンタル契約の注意事項
定期点検について
ダウンロード
お問い合わせ
MENU
HOME
サービス紹介
高所作業車WEBカタログ
高所作業車一覧(トラック式)
高所作業車一覧(自走式)
高所作業車活用事例
弊社ご利用のメリット
よくある質問
操作資格について
会社概要
レンタル契約の注意事項
定期点検について
ダウンロード
お問い合わせ
高所作業車一覧(自走式)
HOME
高所作業車一覧(自走式)
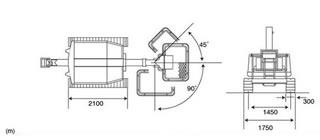
NUL090-6
NUL090-6
機種名
NUL090-6
地上高
2,260mm
昇降形式
多関節型自走式
作業可能高さ
11.1m
積載荷重
200kg
車両全幅
1,750mm
車輌重量
3,750kg
PDFダウンロード